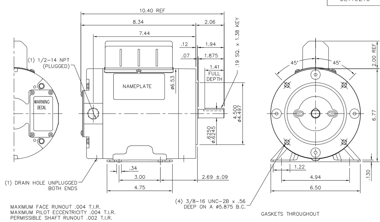
- 3/4 hp 1800 RPM, 1.7-1.6/0.8 amps 208-230/460 Volts 60 Hz. Capacitor Start
- NEMA 56C frame, C-face, Stainless Steel Keyed Shaft 5/8″ Diameter x 1 7/8″
- Service Factor: 1.0, Overload protection = None
- Rigid Base, Reversible, Ball Bearings, Class B Insulation
- 1 Year Manufacture Warranty,
Stainless Steel wash-down motors are use in applications involving challenging caustic environments. This is a single phase electric motor with a C-face mount. Shaft has keyway. Motor has 4 threaded bolt holes on face for mounting a pump or gear head to the motor. Bolt holes are 5 7/8″ on center measured across the shaft. Wiring diagram on motor name plate. TENV = Totally Enclosed Non-Ventilated. 119216.00















Reviews
There are no reviews yet.