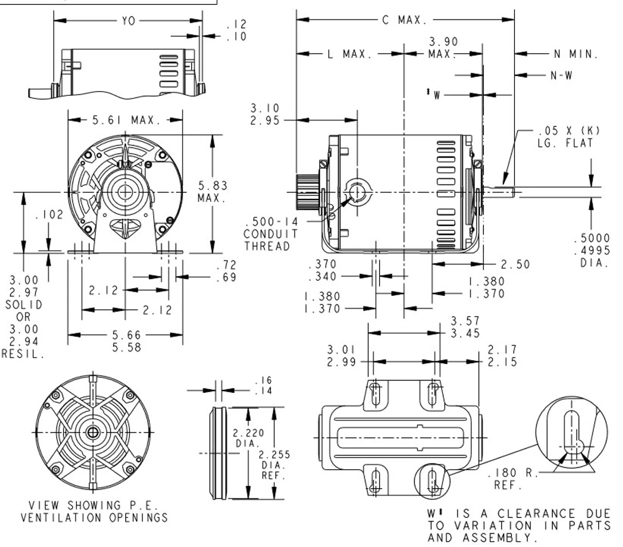
- 1/3 hp 1800 RPM, 6.6 amps, 115 Volts 60 Hz, Split Phase, Adjustable ring mount
- NEMA 48Y Frame Flat Shaft 1 1/2″ x 1/2″ Diameter, 1 speed
- Service Factor = 1.35, Thermal Protection = Auto
- Resilient Base, Reversible, Ball Bearings, Class B insulation
- 1 Year Manufacture Warranty
Blower motors are used to blow air inside of buildings. Shaft may be vertical or horizontal, 5KH32HNA532T



















Reviews
There are no reviews yet.