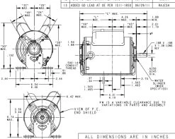
- 3/4 hp 1800 RPM, 8.2/4.0-4.1 amps, 115/208-230 Volts 60 Hz. Capacitor Start / Capacitor Run Phase
- NEMA 56 Frame, TENV, Shaft 5/8″ Diameter x 1 7/8″
- Service Factor = 1.25, Overload Protection: Auto
- Resilient Base, Reversible Rotation, Ball Bearings, Class B Insulation
- 1 Year Manufacture Warranty
Single phase motor designed for belt drive fans in farm buildings, TENV = Totally-Enclosed Non-Ventilated, 5KCR46NN0264T


















Reviews
There are no reviews yet.