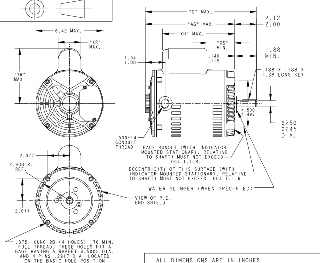
- 2 hp 3600 RPM, 21.2/11.5-10.6 amps, 115/208-230 Volts 60 Hz, Capacitor Start, Oil Burner Mount
- NEMA 56C Frame Shaft 2″ x 5/8″ Diameter, 1 speed
- Service Factor = 1.2, Thermal Protection = Auto
- Reversible, Ball Bearings, Class B insulation
- 1 Year Manufacture Warranty
Direct replacement for motors in oil burning furnaces. ODP = Open Drip Proof
Marathon # 5KC49TN2141X
Replaces Leeson Model U6C34DC19G; 110289.00


















Reviews
There are no reviews yet.