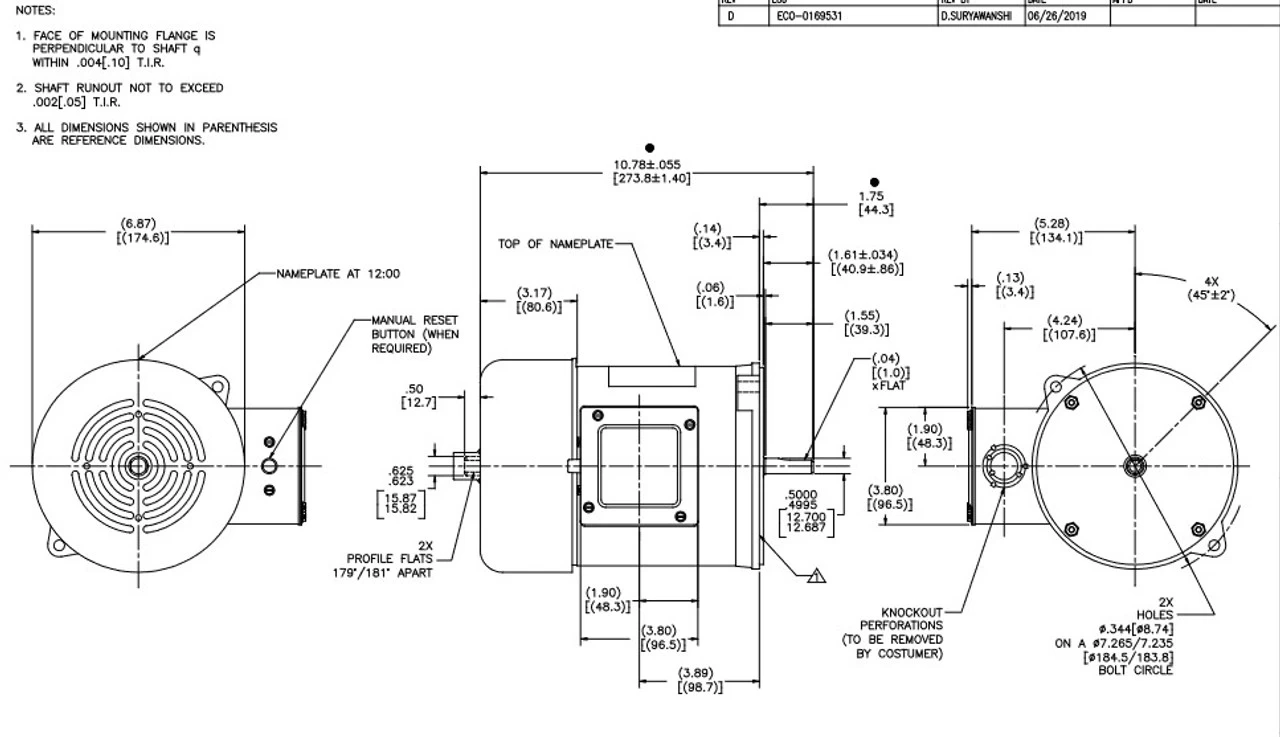
- 1/2 hp 1800 RPM, 1.7-1.7/0.85 amps, 208-230/460 Volts 60 Hz. 3 Phase
- NEMA 56N Frame, TEFC, Shaft 5/8″ Diameter x 1 5/8″ with short rear shaft having flat
- Service Factor = 1.0, Overload Protection: Manual
- No Base, Reversible Rotation, Ball Bearings, Class B Insulation
- 1 Year Manufacture Warranty
Century three phase Auger Drive motor, TEFC = Totally-Enclosed Fan-Cooled, C346



















Reviews
There are no reviews yet.