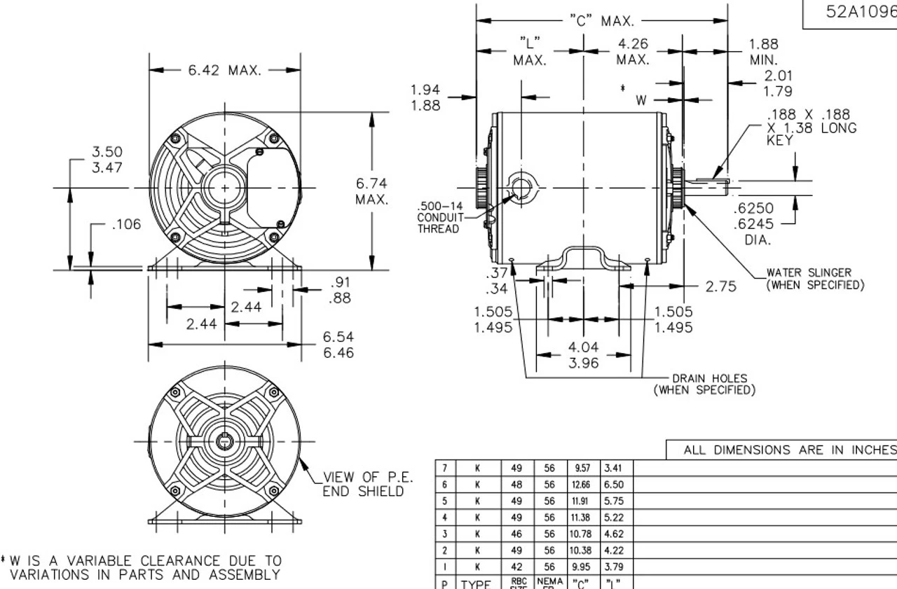
- 1/3 hp 1200 RPM, 2.1-2.0/1.0 amps, 200-230/460 Volts 60 Hz, 3-Phase
- NEMA 56 Keyed Flat Shaft 1 7/8″ x 5/8″ Diameter, 1 speed
- Service Factor = 1.5, Thermal Protection = Auto
- Rigid Base, Reversible, Ball Bearings, Class B insulation
- 1 Year Manufacture Warranty
Motor designed to cool commercial grade transformers. Shaft may be vertical or horizontal. TENV = Totally Enclosed Non-Ventilated. 5K49MN6126T



















Reviews
There are no reviews yet.