- 1 hp 1800 RPM, 9.2/4.6 amps, 115/230 Volts 60 Hz. Capacitor Start/Capacitor Run
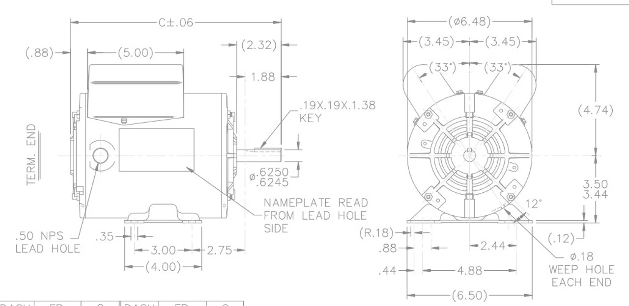
- NEMA 56 Frame, TENV, Shaft 5/8″ Diameter x 1 5/8″ with short rear shaft having flat
- Service Factor = 1.0, Overload Protection: Auto
- Rigid Base, Reversible Rotation, Ball Bearings, Class B Insulation
- 1 Year Manufacture Warranty
Single phase motor designed for belt drive fans in farm buildings, TENV = Totally-Enclosed Non-Ventilated, 056B17T5303
















Reviews
There are no reviews yet.